咨询电话 19138960569
当前位置:
首页
公示中心
报告公示
案例中心Cases
报告公示

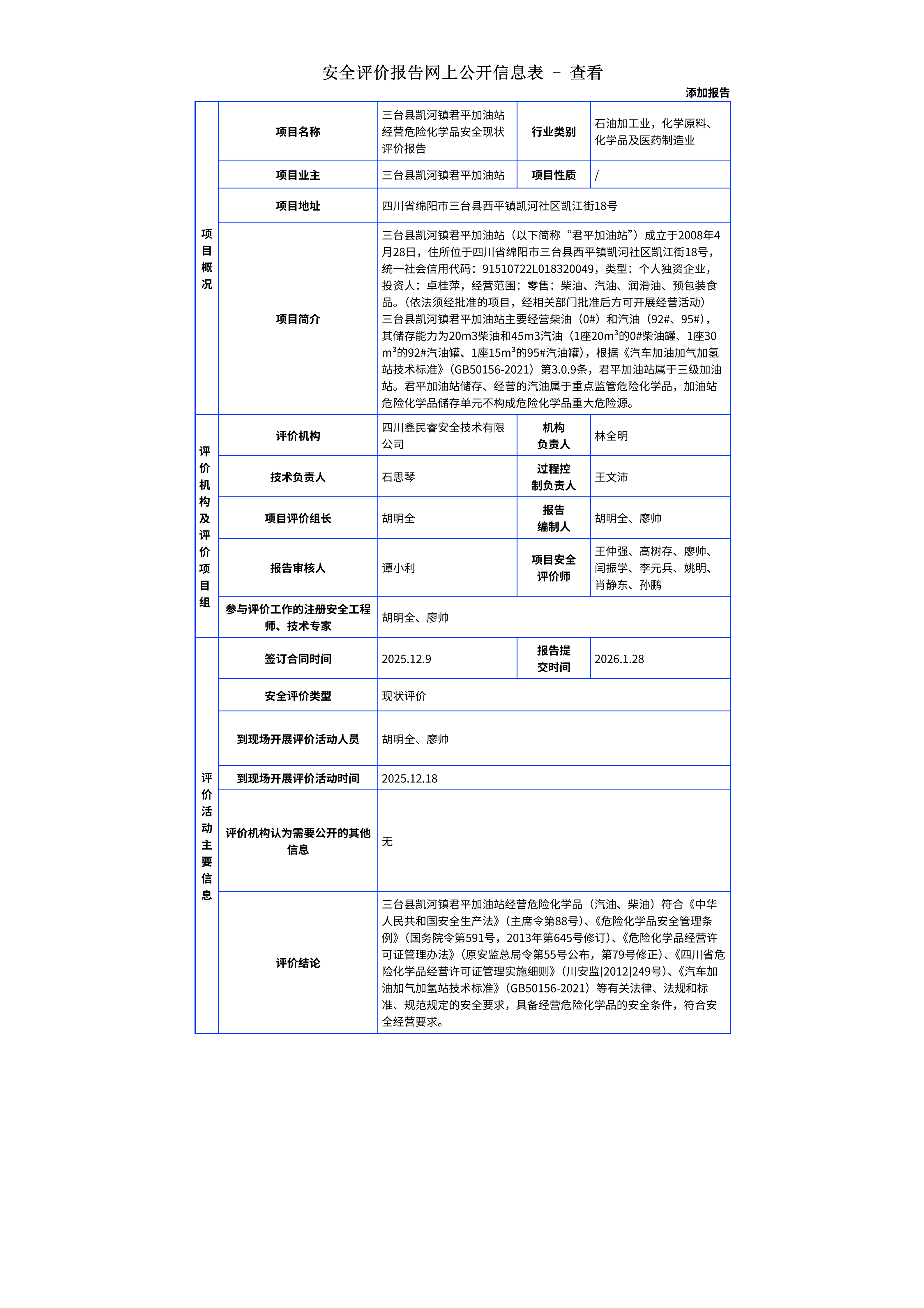
349三台县凯河镇君平加油站经营危险化学品安全现状评价报告

现场勘察照片: